Goal:

Design and deliver a custom river table for a client’s family room, meeting size, functional, and aesthetic requirements.

Requirements:

  • Incorporate steel legs, a live-edge wood epoxy tabletop, and LED lighting.
  • Source steel legs with precise weldments and finishes per customer specifications.
  • Ensure high-quality finishing for the tabletop.
50W auto heate labeled

Design Highlights:

  • Live-Edge Epoxy Tabletop: Designed and built a custom mold for casting live-edge wood with epoxy, ensuring the tabletop met size and functional requirements.
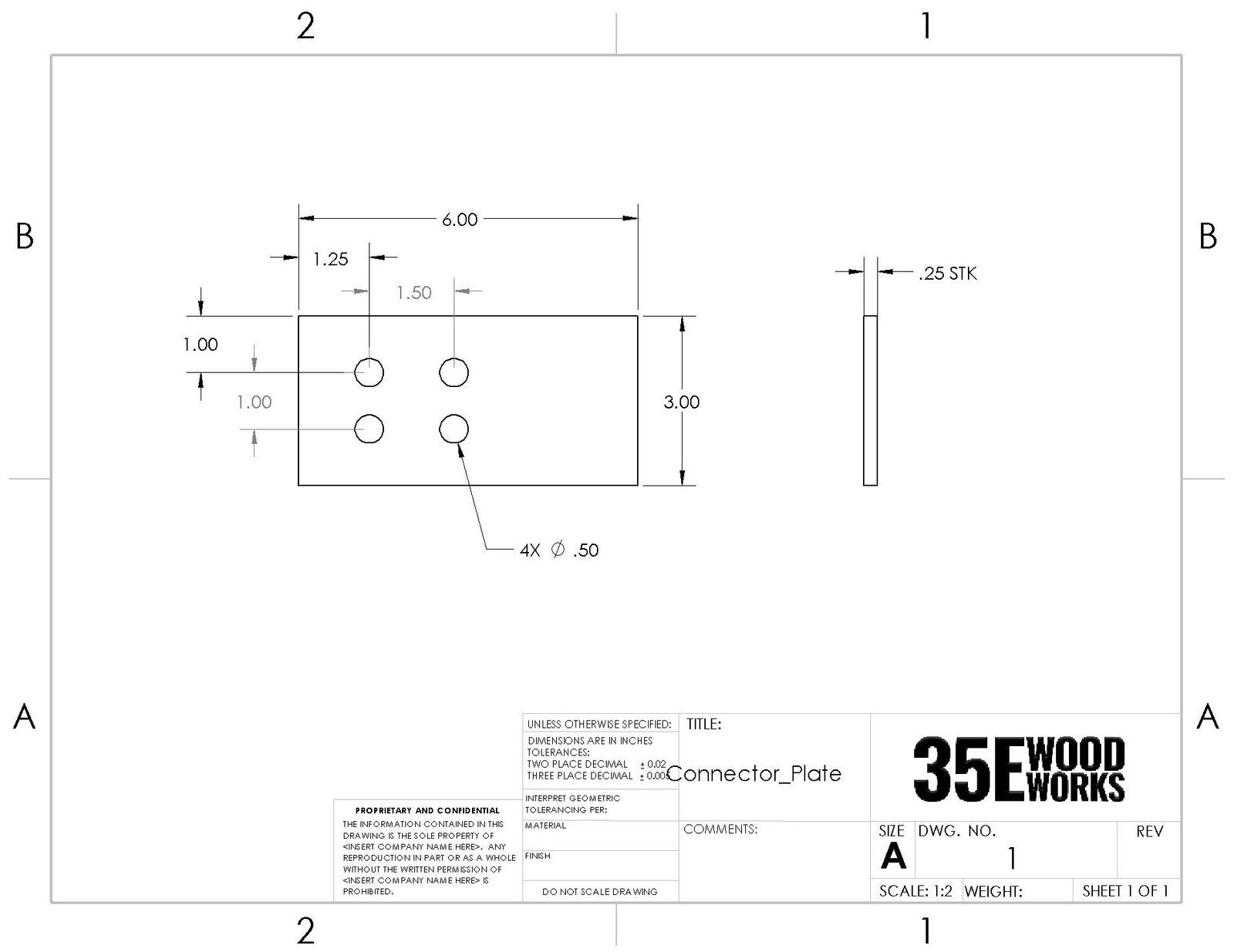
  • Steel Legs Sourcing: Created detailed technical drawings specifying weldments, finishes, and dimensions. Vetted and collaborated with suppliers to meet design and quality standards.
  • Finishing Process: Sanded the tabletop with extra-fine grit and applied an oil finish for durability and aesthetic appeal.
50W auto heate

Outcome:

The final product was successfully assembled, featuring a high-quality live-edge epoxy tabletop, precision steel legs, and integrated LED lighting. The client was fully satisfied with the custom table, which exceeded both functional and visual expectations.

50W auto heater