Goal:

Address a safety concern identified in the evaporator blower assembly, where sharp rivet leftovers posed a hazard during manufacturing operations in Puerto Rico.

Business problem:

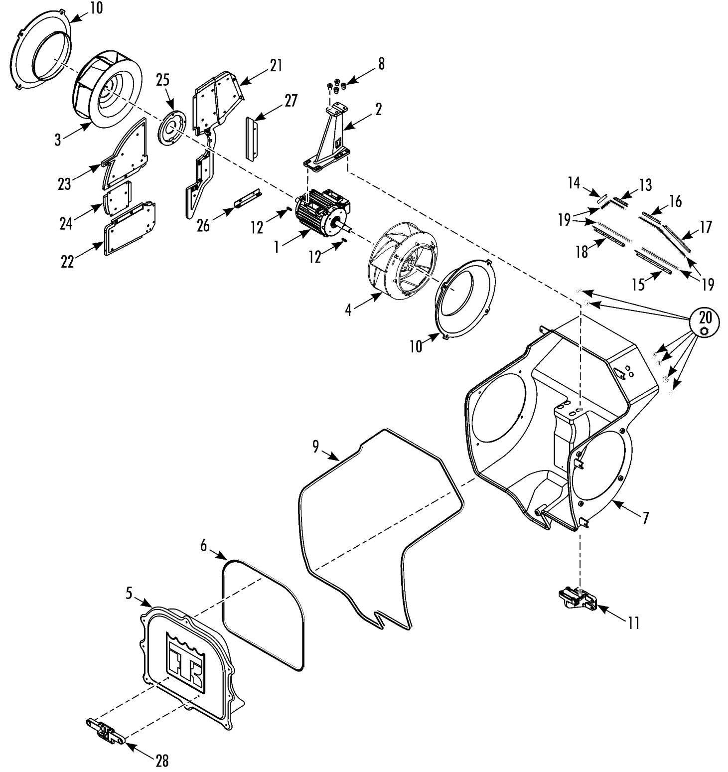
The root cause investigation focused on rivets leaving sharp material, which commonly results from improper hole sizes or material thickness exceeding acceptable rivet specifications. My objective was to identify the underlying cause, validate the findings, and implement a prompt, cost-effective solution.

50W auto heate labeled

Problem Solving:

  • Root Cause Analysis:
    • Collaborated with the manufacturing team to fully understand the issue.
    • Researched rivet specifications and validated requirements by working directly with the rivet manufacturer.
    • Conducted a thorough review of part drawings and dimensions using Creo and Windchill, where I identified discrepancies between allowable rivet hole sizes and the actual dimensions of the evaporator blower assembly.
  • Physical Testing:
    • Procured the necessary components (evaporator blower and rivets) to perform controlled experiments.
    • Tested multiple hole size variations to confirm the correlation between improper dimensions and sharp material leftovers.
    • Results conclusively identified the oversized hole dimensions as the root cause of the issue.
  • Design Review and Solution Implementation:
    • Conducted an independent design review to propose modifications that would align the assembly with rivet specifications.
    • Implemented the necessary design changes within Creo/Windchill, ensuring dimensional accuracy and compliance with specifications.
    • Collaborated with design engineers in Bangalore to gain proficiency in Creo/Windchill, which enabled me to successfully execute and release the design updates.
50W auto heate

Outcome:

The solution effectively eliminated the safety hazard at no additional cost by resolving discrepancies in hole dimensions. Through cross-functional collaboration and testing, I addressed the root cause and ensured the assembly met safety and design requirements. This process enhanced my proficiency in Creo and Windchill while delivering a prompt, practical resolution that satisfied manufacturing and safety teams.

50W auto heate